Hoppa till huvudinnehållet

Effektiv kylmodul för AM 1000

Airmaster lanserar nu RC 1000, en kylmodul för AM 1000. Med RC 1000 är det nu möjligt att effektivt kyla till exempel klassrum och kontor.
Effektiv kylmodul för AM 1000

Det finns många goda skäl att optimera inomhusklimatet på skolor och institutioner. Ett bra och hälsosamt inomhusklimat ökar lärandet, välbefinnandet och tillfredsställelsen för barn och unga som tillbringar större delen av en dag på skolor och institutioner.
I linje med ett ökat fokus på ovanstående, och även lagkrav som CO2-nivåer i klassrum och högre lufttäthet i byggnader, ställer detta höga krav på mekanisk ventilation för att tillhandahålla en hälsosam kvalitet på inomhusluft.
Dessutom finns det idag ett stort behov av möjligheten att kyla ner temperaturen i ett rum för att uppnå en lämplig termisk komfort.
Med en AM 1000 från Airmaster kan du nu få både delarna: ett hälsosamt inomhusklimat med våra decentrala ventilationssystem, kombinerat med möjligheten att kyla rumstemperaturen, för ett behagligt inomhusklimat under varma dagar.

Effektiv kylning - utan störande ljud

Effektiv kylning - utan störande ljud

RC 1000 är en kylmodul för AM 1000, där en kylyta försörjs med kyld vätska från en extern källa.
RC 1000 har en kylkapacitet på upp till 7kW, vilket innebär att en behaglig inomhustemperatur kan upprätthållas i de allra flesta rum där en AM 1000 är installerad. Aggregatet ansluts till den vanliga Airmaster-styrenheten, vilket gör det möjligt att ställa in önskad tilluftstemperatur och maximal acceptabel inomhustemperatur.
RC 1000 är konstruerad så att tryckfallet är så lågt att AM 1000 fortsätter att leverera 950 m³/h vid 30 dB(A). Det innebär att ventilationssystemets ljudnivå förblir exakt densamma som AM 1000 redan har.

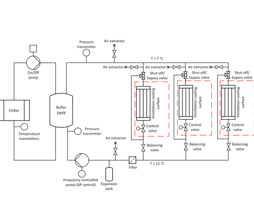
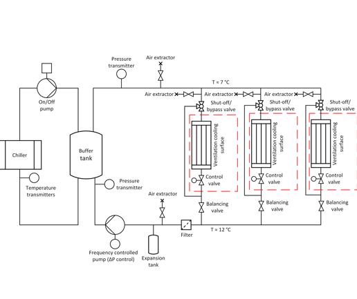
Schematiskt diagram

Schematiskt diagram

Systemet kan utformas efter individuella behov, vilket innebär att det endast är storleken på kylaggregatet som avgör hur många enheter som kan anslutas.

OBS: Illustrationen nedan är endast avsedd som exempel och kan inte användas i praktiken. Exemplet visar ett system med 3 st. AM 1000-aggregat.

Variationer RC 1000

Produktkatalog 6.0

Bli medlem! - Du får då Airmasters senaste produktkatalog.

Produktkatalog 6.0

Kontakta säljsupport

Claus Pasgaard

Claus Pasgaard

Area Sales Manager

Department Export, Module

Kontakta oss, om du vill veta mer om decentral ventilation

Vårt kompetenta säljteam är redo att svara på dina frågor och ge dig råd om allt från dimensionering, konfiguration, placering och planering – så att du kan hitta rätt system för dina behov.